Page
ACO Clara Standard
Пречистителните станици ACO Clara одговараат на европските норми БДС EN 12566-3, за која има издаден сертификат и CE-ознака. ACO Clara Standard Пречистителни станици за домаќинство и отпадни води: • Од полиетилен со висока густина • Широк спектар...
Page
ACO Clara Concrete
Пречистителните станици ACO Clara одговараат на европските норми БДС EN 12566-3, за која има издаден сертификат и CE-ознаката. ACO Clara Concrete Пречистителни станици за домаќинство и отпадни води: • Од бетон • Широк спектар димензии •...
Page
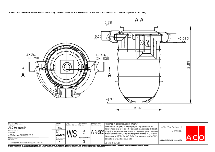
ACO Coalisator P
Сите АСО сепаратори за нафтени производи одговараат на БДС EN 858: 2003. Тие се хидраулично тестирани и имаат сертификат од независна лабораторија. ACO Coalisator P Коалесентни сепаратори за нафтени производи: • Класа на оптоварување B125 •...





