Page
ACO Oleopator C
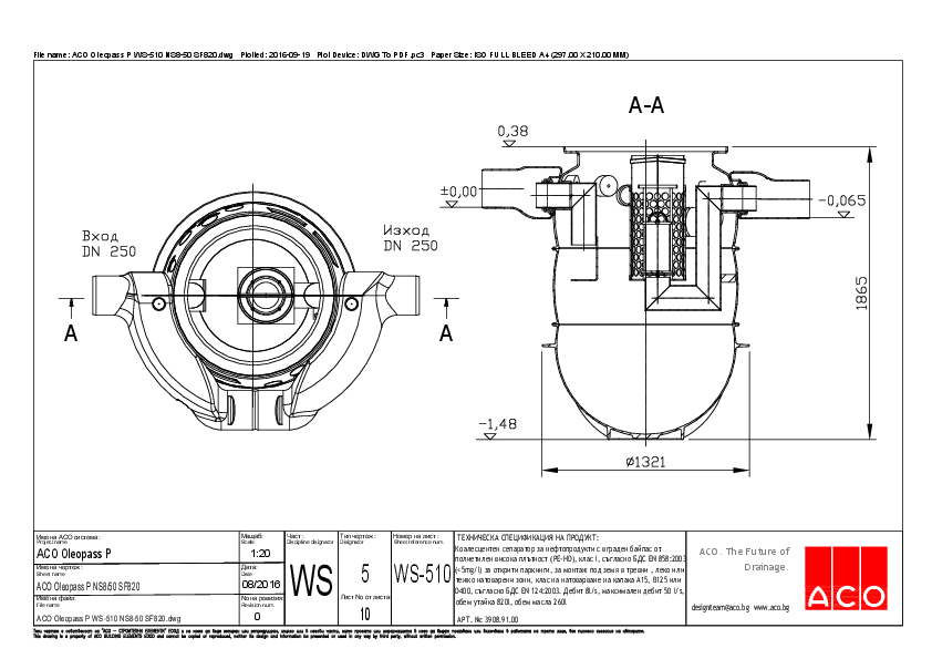
Сите АСО сепаратори за нафтени производи одговараат на БДС EN 858: 2003. Тие се хидраулично тестирани и имаат сертификат од независна лабораторија. ACO Oleopator C Коалесцентни сепаратори за нафта: • За монтажа под земјата • Класа на оптоварување...
Page
ACO Self
Каналите за одводнување ACO Self® се развиени за одведување на површинските дождовни води од дворови и градини и комбинираат висок квалитет и дизајн. Решетките овозможуваат премин на автомобили и гарантираат издржливост. Решетките се достапни во...
Page
ACO Markant
Светлосните шахти на АСО се практично и естетско решение за обезбедување на максимален проток на дневна светлина и свеж воздух во сутеренските простории. ACO Markant Светлосни шахти: • Обезбедуваат повеќе светлина во просторијата • Максимална...
Page
ACO Vario
Преглед на системата За монтаж извън сградата За монтаж в сградата Вана от полимербетон с интегрирана рамка от поцинкована стомана Изтривалка Изтривалки Вид Строителна дължина [cm] Строителна ширина [cm] Строителна височина [cm] Тегло/бр. [kg]...



